EMT1010A:32通道,電流輸入,電流/電壓轉換器
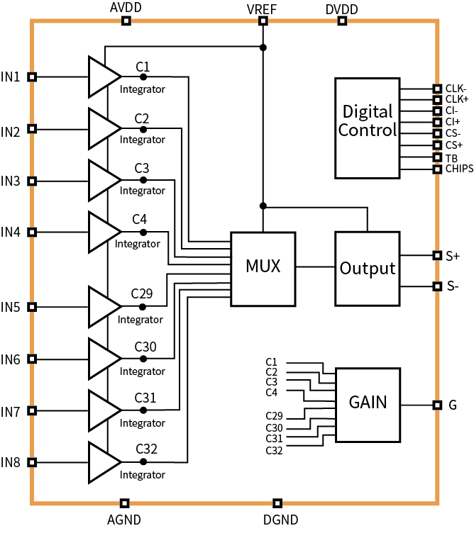
EMT1010AEMT1010A 是第二代32 通道的專為X 射線檢測系統設計的電流電壓(C/V)轉換器,它結合了優化的電路設計,有兩種增益可供選擇。EMT1010A 使用了先進的模擬電路制造工藝,可用于X 射線光電二極管的信號處理。EMT1010A 提供串行工作時序,32 通道的值可以逐個轉換并輸出。EMT1010A 可以選擇正反順序工作模式,可調積分時間范圍為2ms 至20ms,可以出色的測量
EMT1010AEMT1010A 是第二代32 通道的專為X 射線檢測系統設計的電流電壓(C/V)轉換器,它結合了優化的電路設計,有兩種增益可供選擇。EMT1010A 使用了先進的模擬電路制造工藝,可用于X 射線光電二極管的信號處理。EMT1010A 提供串行工作時序,32 通道的值可以逐個轉換并輸出。EMT1010A 可以選擇正反順序工作模式,可調積分時間范圍為2ms 至20ms,可以出色的測量
EMT1010A
EMT1010A 是第二代32 通道的專為X 射線檢測系統設計的電流電壓(C/V)轉換器,它結合了優化的電路設計,有兩種增益可供選擇。EMT1010A 使用了先進的模擬電路制造工藝,可用于X 射線光電二極管的信號處理。
EMT1010A 提供串行工作時序,32 通道的值可以逐個轉換并輸出。EMT1010A 可以選擇正反順序工作模式,可調積分時間范圍為2ms 至20ms,可以出色的測量10pA 至4000pA 的電流。低電平線性誤差小于0.5%,噪聲小于150μV。
EMT1010A 具有一個串行接口,專為多器件系統中的菊花鏈式串行接口設計。只需將一個設備的輸出連接到下一個設備的輸入即可創建鏈接。共用時鐘可以為多EMT1010A 系統降低開銷。
EMT1010A 采用 + 5V 電源供電,工作溫度范圍為 0° C 至 + 55° C。
| AVDD至AGND | -0.3V~6.0V |
| DVDD至DGND | -0.3V~6.0V |
| AGND至DGND | ±0.2V |
| VREF輸入至AGND | 2.0V~AVDD+0.3V |
| 模擬輸入至AGND | -0.3V~0.7V |
| 數字輸入電壓至DGND | -0.3V~DVDD+0.3V |
| 數字輸出電壓至DGND | -0.3V~AVDD+0.3V |
| 工作溫度范圍 | 0℃~+55℃ |
32個通道
積分線性誤差:≤0.5%
極低噪聲:≤90μV
低功耗:5mW/通道
積分時間:2ms~20ms
檢測輸入電流
滿量程范圍可調
可選正反順序工作模式
菊花鏈式串行接口

典型應用:X射線檢測、安檢機、CT掃描、PCB生產檢測線等等